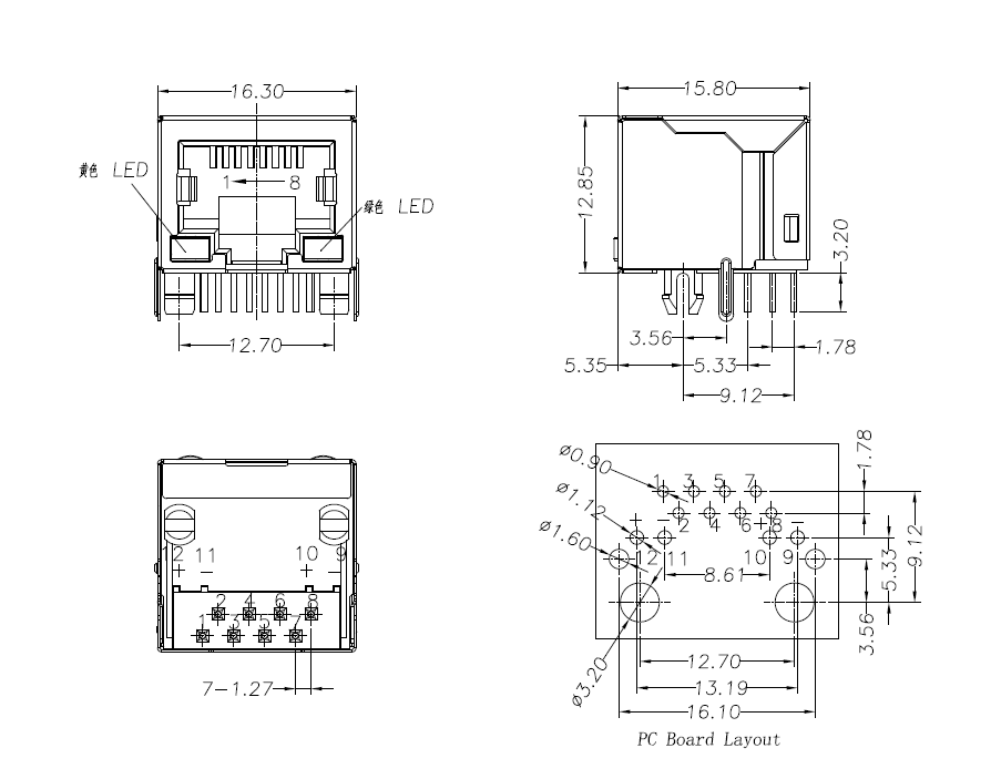
短体,Shielded RJ45 Modular Jack 带LED
產品型號: HR5604S-118801B-71-1R
產品系列: RJ11/RJ45 單層多胞系列
PDF文檔下載
- 詳細介紹
- 圖紙說明
產品型號: HR5604S-118801B-71-1R
產品系列: RJ11/RJ45 單層多胞系列
PDF文檔下載