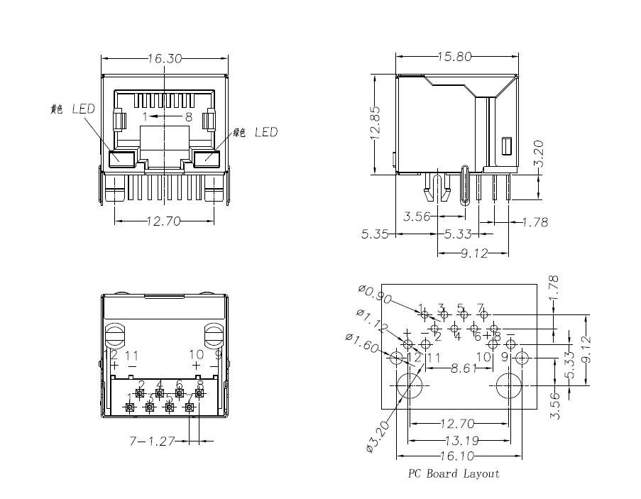
Short body, Shielded RJ45 Modular Jack with LED,
Model:
Series: Single Port RJ11/RJ45 PCB Jack
Download PDF
- Specification
- Drawing sheet
Similar to recommend

Jason ZHU