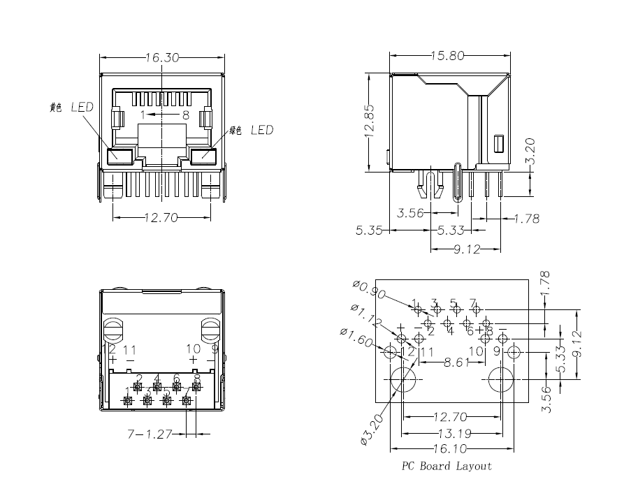
Short body, Shielded RJ45 Modular Jack with LED
Model: HR5604S-118801B-71-1R
Series: Single Port RJ11/RJ45 PCB Jack
Download PDF
- Specification
- Drawing sheet

Jason ZHU