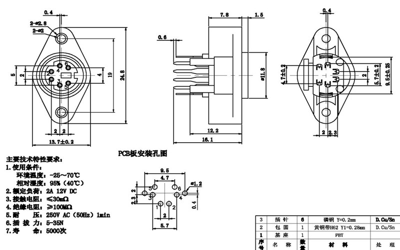
You are hear:Home > Products > DSW & Mini Din Jack > DSW & Mini Din Jack, 6Pin, Receptacles, Through Hole Type
Model: HMDC-6-09AXX Series: DSW & Mini Din Jack browse: 0
MINI DIN dual color+double-layer USB 2...
MINI DIN+double-layer USB 3.0 connector
Stacked,DSW & Mini Din Jack, 6Pin, Re...
DSW & Mini Din Jack, 10Pin, Receptacl...
DSW & Mini Din Jack, 6Pin, Receptacle...