You are hear:Home > Products > DC/DS/MPC Power Block > MPC mini power terminal, 4Pin, socket
Model: HMPC-4-03XX Series: DC/DS/MPC Power Block browse: 0
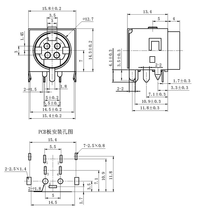
MPC mini power terminal, 4Pin, socket
DS Power Block 13Pin
Vertical DS Power Block 8Pin with met...
DS Power Block 2P
DC JACK Through Hole Type, Receptacle...